1 Camere 1 Bagni 1 Box/Posti auto 60 m2
Caratteristiche principali
Codice
2457
Prezzo
79.000 EUR
Spese condominiali
1.200 EUR
Classe
D (106,43 [kWh/m²a])
Locali
2
Mq Balcone
10
Altre caratteristiche e accessori
Stato Immobile
Buono
Grado
Medio
Posizione
Periferia
Piano
Primo
Totale Piani
Tre
Lati Liberi
1
Giardino
Comune
Arredi
Solo Cucina
Tipo Soggiorno
Soggiorno
Tipo Cucina
A Vista
Riscaldamento
Autonomo
Tipo Riscaldam.
Caldaia
Tipo Impianto
Radiatori
Fonte Energetica
Metano
Acqua Calda
Autonoma
Raffrescamento
Split
Infissi
Legno Doppio Vetro
Serramenti
Buono
Persiana
Tapparella PVC
Pavim. Giorno
Ceramica
Pavim. Notte
Ceramica
Pavim. Cucina
Ceramica
Pavim. Bagno
Ceramica
Cantina - Solaio
Cantina
Accesso Disabili
Nessuna Barriera
Accesso interno disabili
Pieno accesso
Isolamento
Non presente
Isolamento termico
Nessuno
Accessori
Aria Condizionata, Ascensore, Cancello Elettrico, Doppi Vetri, Passaggio Automobilistico, Passaggio Pedonale, Porta Blindata, Video Citofono, Zanzariere
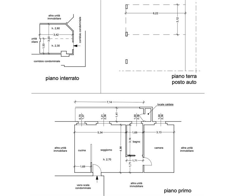
TRECATE € 79.000 - In una palazzina moderna del 2007, dotata di ascensore e valorizzata da spazi curati, proponiamo un BILOCALE ampio e molto luminoso, perfetto per chi cerca una soluzione recente e funzionale oppure un ottimo investimento da mettere a reddito.

L’ingresso si apre sulla zona giorno con cucina a vista, un ambiente accogliente e ben organizzato. Il disimpegno conduce al bagno finestrato e alla camera matrimoniale, anch’essa di generose dimensioni.
Uno dei punti di forza dell’appartamento è sicuramente il grande balcone, accessibile da tutti i locali, ideale per godersi pranzi all’aperto o momenti di relax. Sul balcone è presente anche il locale caldaia, comodo e discreto.

Completano la proprietà il posto auto coperto e una cantina al piano interrato.

Il riscaldamento è autonomo e la classe energetica è D.

Una soluzione interessante, pronta da vivere e perfetta anche per chi desidera un immobile da investimento con ottime potenzialità. Cod. 2457
VIA GARZOLI 4, Trecate (NO)
Cookie preference